
產品詳細資料:
【J45F46直流式襯氟截止閥-產品說明】
直流式襯氟截止閥適用在-50~150℃的各種濃度的王水、流酸、鹽酸、氫氟酸和各種有機酸、強酸、強氧化劑,還適用于各種濃度的強堿有機溶劑以及其它腐蝕性氣體,液體介質的管路上使用。
截止閥優點
1、結構簡單,制造和維修比較方便。
2、工作行程小,啟閉時間短。
3、密封性好,密封面間磨擦力小,壽命較長。
公稱壓力:PN1.0-25.0Mpa,150Lb-2500Lb
工作溫度:-40-600℃
公稱通徑:DN15-600mm
連接方式:法蘭,螺紋,對焊,承插焊,NPT
材質:PVC,ABS,RPP,304,316,304L,316L,WCB,CF3,CF8,CF3M,CF8M,鑄鋼,球墨鑄鐵,鍛鋼,不銹鋼,銅等。
【J45F46直流式襯氟截止閥-主要零件材料】
序號 | 零件名稱 | 灰鑄鐵 | 鑄鋼 | 不銹耐酸鑄鋼 | 超低碳不銹耐酸鑄閥 | ||
Z | C | P | R | P L | R L | ||
1 | 閥體/端蓋/閘板 | HT250 | WCB | CF8 | CF8M | CF3 | CF3M |
2 | 閥桿 | 35 | 2Cr13 | 1Cr18Ni9 | 1Cr18Ni12Mo2Ti | 00Cr18Ni10 | 00Cr17Ni14Mo2 |
3 | 襯里/閥座 | PTFE(F 4 )、PCTFE(F 3 )、FEP(F 46 )、PFA(可溶性 4 ) | |||||
4 | 填料/壓蓋 | WCB | CF8 | CF8M | CF3 | CF3M | |
5 | 填料 | PTFE(F 4 ) | PTFE(F 4 ) | PTFE(F 4 ) | |||
6 | 活節螺栓 | 35 | 1Cr17Ni2 | 1Cr17Ni2 | |||
7 | 閥桿螺母 | ZCuAI10Fe3 | ZCuAI10Fe3 | ZCuAI10Fe3 | |||
8 | 緊固螺母 | 45 | 1Cr17Ni2 | 1Cr18Ni9Ti | |||
9 | 螺母 |
| 0Cr18Ni9 | 0Cr18Ni9 | |||
10 | 手輪 | WCB | WCB | WCB | |||

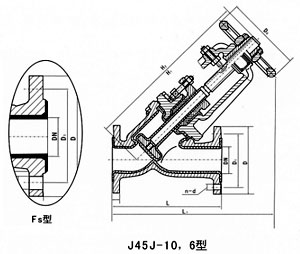
【J45F46直流式襯氟截止閥-主要外形尺寸】
公稱通徑 | 標準值 | 參考值 | ||||||||||
DN(mm) | NPS(inch) | L | D | D1 | D2 | f | b | Z-Фd | D0 | H | H1 | WT(Kg) |
PN1.0MPa | ||||||||||||
15 | 1/2 | 130 | 95 | 65 | 45 | 2 | 14 | 4-Ф14 | 100 | 235 | 260 | 6.5 |
20 | 3/4 | 150 | 105 | 75 | 55 | 2 | 16 | 4-Ф14 | 100 | 240 | 265 | 7 |
25 | 1 | 160 | 115 | 85 | 65 | 2 | 16 | 4-Ф14 | 120 | 245 | 270 | 7.8 |
32 | 1 1 /4 | 180 | 135 | 100 | 78 | 2 | 18 | 4-Ф18 | 140 | 255 | 285 | 11 |
40 | 1 1 /2 | 200 | 145 | 110 | 85 | 3 | 18 | 4-Ф18 | 140 | 285 | 315 | 13 |
50 | 2 | 230 | 160 | 125 | 100 | 3 | 20 | 4-Ф18 | 160 | 295 | 330 | 15 |
65 | 2 1 /2 | 290 | 180 | 145 | 120 | 3 | 20 | 4-Ф18 | 180 | 350 | 395 | 23 |
80 | 3 | 310 | 195 | 160 | 135 | 3 | 22 | 4-Ф18 | 240 | 395 | 445 | 38 |
100 | 4 | 350 | 215 | 180 | 155 | 3 | 22 | 8-Ф18 | 240 | 450 | 490 | 42 |
125 | 5 | 400 | 245 | 210 | 185 | 3 | 24 | 8-Ф18 | 280 | 525 | 555 | 55 |
150 | 6 | 480 | 380 | 240 | 210 | 3 | 24 | 8-Ф23 | 320 | 605 | 645 | 77 |
200 | 8 | 495 | 335 | 295 | 265 | 3 | 26 | 8-Ф23 | 360 | 645 | 765 | 135 |
250 | 10 | 622 | 390 | 350 | 320 | 3 | 28 | 12-Ф23 | 400 | 685 | 805 | 220 |
300 | 12 | 698 | 440 | 400 | 368 | 4 | 28 | 12-Ф23 | 400 | 710 | 814 | 277 |
350 | 14 | 787 | 500 | 460 | 428 | 4 | 30 | 16-Ф23 | 450 | 750 | 855 | 320 |
J45F46直流式Y型襯氟截止閥選用原則是:
1、高溫、高壓介質的管路或裝置上宜選用截止閥。如火電廠、核電站,石油化工系統的高溫、高壓管路上。
2、管路上對流阻要求不嚴的管路上。即對壓力損失考慮不大的地方。
3、小型閥門可選用針閥、儀表閥、取樣閥、壓力計閥等。
4、有流量調節或壓力調節,但對調節精度要求不高,而且管路直徑又比較小,如公稱通經≤50mm 的管路上,宜選用。
5、合成工業生產中的小化肥和大化肥宜選用公稱壓力PN160 公稱壓力16MPa 或PN320 公稱壓力32MPa 的高壓角式截止閥或高壓角式節流閥。襯氟閥門的工藝
6、氧化鋁拜耳法生產中的脫硅車間、易結焦的管路上,易選用閥體分開式、閥座可去處的、硬質合金密封副的直流式截止閥或直流式節流閥。
7、城市建設中的供水、供熱工程上,公稱通經較小的管路,可選用截止、平衡閥或柱塞閥,如公稱通經小于150mm的管路上。
訂貨須知:
一、①J45F46襯氟Y型截止閥產品名稱與型號②J45F46襯氟Y型截止閥口徑③J45F46襯氟Y型截止閥是否帶附件以便我們的為您正確選型。
二、若已經由設計單位選定型號,請按型號直接向我們華楊銷售部訂購。
三、當使用的場合非常重要或環境比較復雜時,請您盡量提供設計圖紙和詳細參數,由我們華楊的閥門為您審核把關。